
1.項目簡介:
本次測試的產品為科密牌C-638碎紙機。碎紙機有兩大主要部件"切紙刀"和"電動馬達",之間通過皮帶和齒輪使之緊密地連接在一起,馬達帶動皮帶、齒輪,把能量傳送給切紙刀,而切紙刀通過轉動,用鋒利的金屬角把紙切碎。
2.待測產品參數:
碎紙速度:3m/min;
移動方式:裝有萬向輪,可以移動自如;
輸入功率:155W 電源:220V;
碎紙箱容積:15L;
凈重:11kg;
尺寸:343×242×546mm;
工作時噪聲:≤50dB(A)
3.本次檢測所依據的技術文件:
GBT 4214.1-2000 聲學 家用電器及類似用途器具噪聲 測試方法 第1部分 通用要求
HJ 2509-2012 環境標志產品技術要求 碎紙機
GB/T 10739-2002 紙、紙板和紙漿試樣處理和試驗的標準大氣條件
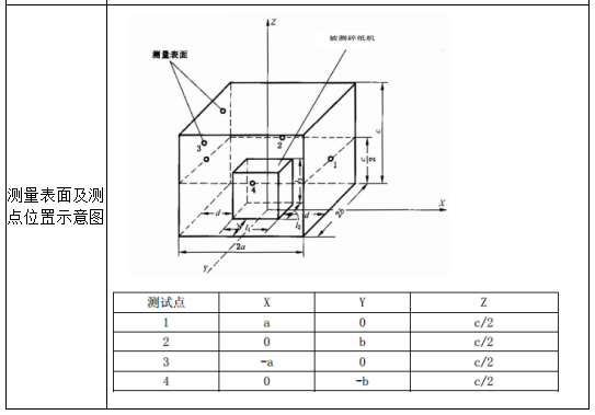
4.現場操作過程:
(1)確定待測產品型號、名稱、外形尺寸、是否正常工作(正常工作下的工況)填寫測試記錄表;
(2)根據外形尺寸判斷基準體尺寸a=l1/2 +1,b=l2/2 +1,c=l3+1,其中l1,l2,l3分別指碎紙機箱體的長、寬、高,m;
(3)按照HJ 2509-2012要求在碎紙機底部鋪設5mm厚彈性墊層;
(4)將碎紙機在額定工作狀態下連續運轉至少3分鐘;
(5)測量并記錄現場環境,按照HJ 2509-2012要求布置測點位置,并對傳聲器進行校準;
(6)測量表面各測點上A計權聲壓級;
5.利用公式計算測量表面平均聲壓級和聲功率級。



6.測試現場

7.結果分析報告

測試儀器:產品中心
測試環境:聲學實驗室
上一篇:廣州瑞寶電器有限公司 電機全消聲室 儀器配套、安裝調試及現場操作簡介
下一篇:沒有了
